D363H焊接式硬密封蝶阀口径:DN100-DN2000,压力:0.6MPa-4.0MPa,材质:铸钢、不锈钢,特种高温钢,该产品广泛用于石油、化工、电力、冶金、
食品、医药、轻纺、造纸等行业,可安装在温度≤850℃,介质为煤气、空气、蒸汽、水、海水、油品等工业管网上作调节流量和切断介质用。
1、由于采用焊接结构,使阀门与管道平面达到永久性的零泄漏。
2、此阀无法兰,对管道和保温包扎带来了很大的方便和美观。
3、硬密封蝶阀采用三偏心密封结构,阀座与蝶板几乎无磨损,具有越观越紧的密封功能。
4、密封圈选用不锈钢制作,具有金属硬密封和弹性密封的双重优点,无论在低温和高温的情况下,均具有优良的密封性能,具有耐腐蚀,使用寿命长等特点。
5、蝶板密封面采用D507mo,STL密封面耐磨损,使用寿命长。
6、大规格蝶板采用绗架结构,强度高,过流面积大,流阻小。
|
标准所属国家 |
制造标准 |
法兰标准 |
结构长度标准 |
检验标准 |
|
中国 |
JB/T8527-97 |
GB9113-2000 |
GB12221-89 |
GB/T13927-92 |
|
美国 |
ANSI16.34 |
ANSI 16.5a
MSS-SP-44 |
API609
MSS-SP-67 |
API598-92 |
|
日本 |
JIS B2064 |
JIS B2212~2216 |
JIS B2002 |
JIS B2003 |
|
公称通径 |
DN |
DN100~DN2000 |
|
公称压力 |
PN |
0.6 |
1.0 |
1.6 |
2.5 |
4.0 |
|
试验压力 |
壳体强度试验 |
0.9 |
1.5 |
2.4 |
3.75 |
6.0 |
|
密封试验 |
0.66 |
1.1 |
1.76 |
2.75 |
4.4 |
|
气密封试验 |
0.6 |
0.6 |
0.6 |
0.6 |
0.6 |
|
适用介质 |
水、蒸气、油品、酸类腐蚀性介质等及粉尘颗粒物 |
|
适用温度 |
碳钢≤425℃ 不锈钢≤600℃ 耐温钢≤850℃ |
|
驱动形式 |
手柄、蜗轮、电动、气动 |
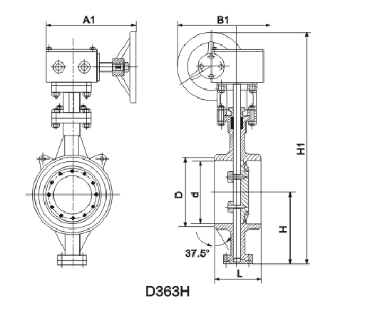
D363H焊接式硬密封蝶阀尺寸参数
|
通径 |
主要尺寸 |
1.0MPa |
1.6MPa |
2.5MPa |
4.0MPa |
|
mm |
inch |
L |
H |
H 1 |
D |
D |
D |
D |
|
100 |
4 |
190 |
100 |
375 |
110 |
112 |
114 |
116 |
|
125 |
5 |
200 |
113 |
401 |
135 |
138 |
140 |
142 |
|
150 |
6 |
210 |
130 |
450 |
161 |
164 |
166 |
168 |
|
200 |
8 |
230 |
205 |
545 |
212 |
214 |
216 |
219 |
|
250 |
10 |
250 |
235 |
630 |
263 |
265 |
267 |
271 |
|
300 |
12 |
270 |
375 |
715 |
314 |
316 |
318 |
322 |
|
350 |
14 |
290 |
309 |
817 |
364 |
367 |
370 |
374 |
|
400 |
16 |
310 |
346 |
923 |
415 |
418 |
421 |
426 |
|
450 |
18 |
330 |
392 |
1059 |
466 |
469 |
472 |
477 |
|
500 |
20 |
350 |
427 |
1126 |
516 |
519 |
522 |
528 |
|
600 |
24 |
390 |
499 |
1280 |
617 |
636 |
636 |
632 |
|
700 |
28 |
430 |
566 |
1480 |
719 |
726 |
726 |
726 |
|
800 |
32 |
470 |
632 |
1608 |
820 |
826 |
826 |
826 |
|
900 |
36 |
510 |
693 |
1857 |
926 |
926 |
926 |
926 |
|
1000 |
40 |
550 |
757 |
2038 |
1022 |
1028 |
1028 |
1028 |
|
1200 |
48 |
630 |
851 |
2237 |
1222 |
1228 |
1228 |
1228 |
|
1400 |
56 |
710 |
875 |
2411 |
1428 |
1428 |
1428 |
1428 |
|
1600 |
64 |
790 |
1095 |
2756 |
1628 |
1628 |
1628 |
1628 |
|
1800 |
72 |
870 |
1214 |
3093 |
1828 |
1828 |
1828 |
1828 |
|
2000 |
80 |
950 |
1332 |
3355 |
2028 |
2028 |
2028 |
2028 |